登录
|
注册
加入协会
CAW认证
简体中文
English
繁體中文
YYYY年MM月DD日 dddd
协会首页
协会介绍
协会简介
协会章程
组织结构
会员单位
入会须知
协会工作
协会动态
协会公告
专题报道
产业集群
协会期刊
质量监督
检验检测
行业资讯
统计数据
国内动态
国外动态
标准法规
政策法规
行业标准
展会信息
下载中心
车轮改装
车轮改装实例
车轮及轮胎OEM配置分析及升级方案
产品大全
会员专区
人才中心
检验检测
协会期刊
联系我们
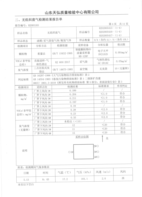
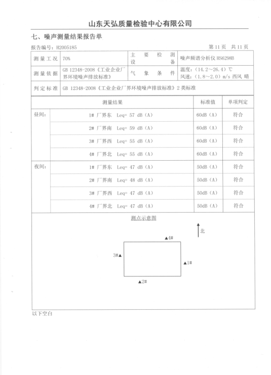
2020年万丰环境监测(威海汽轮)
来源:
万丰奥威官网
|
作者:
chinacaw
|
发布时间:
2020-06-26
|
1103
次浏览
|
🔊
点击朗读正文
❚❚
▶
|
分享到:
上一篇:
迎今年油价首次上调 一箱油多花4块5
下一篇:
PPG铝轮毂涂料助力新能源汽车